Một phòng tắm, nhà vệ sinh hiện đại không thể thiếu Lavabo. Đó là bồn để rửa tay, rửa mặt, được lắp đặt gắn liền với vòi nước và ống thoát bên dưới. Thiết bị này cũng thiết kế sao cho phù hợp nhất với thiết kế của căn phòng.

Kích thước Lavabo phù hợp mang lại lợi ích cho gia đình
Lựa chọn kích thước Lavabo trở thành tiêu chí quan trọng, mang lại nhiều lợi ích cho chủ nhà. Ngoài sự thuận tiện, kích thước chuẩn sẽ tiết kiệm thời gian, chi phí lắp đặt và tăng thẩm mỹ cho căn phòng. Vậy, kích thước của Lavabo chính là chiều rộng - dài và chiều cao của bồn rửa. Tùy vào từng loại, từng thương hiệu mà Lavabo có thông số kích thước khác nhau.
Khi có hiểu biết về kích thước chuẩn của các loại Lavabo, người dùng có thể lựa chọn và lắp đặt một cách linh hoạt nhất. Điều này mang lại nhiều lợi ích cho kỹ sư, người làm trong lĩnh vực xây dựng.Cùng tìm hiểu các loại Lavabo nhiều người dùng nhất hiện nay ở bên dưới.
Lavabo treo tường là loại bồn rửa mặt thông dụng trong nhà vệ sinh tại trung tâm thương mại nhỏ, siêu thị mini,...Loại này đặc biệt thích hợp với nơi có không gian khiêm tốn:

Kích thước của bồn Lavabo treo tường
– Kích thước của lavabo: Rộng- Sâu- Cao: 500 x 430 x 190 (mm).
– Chiều cao khi gắn ống xả chờ âm tường được tính từ sàn hoàn thiện đến tim lỗ co răng trong: 510 (mm)
– Chiều cao để gắn ống cung cấp nước nóng, lạnh chờ âm tường được tính từ sàn hoàn thiện đến tim lỗ co đồng là 21 răn ngoài: 620 (mm).
– Khoảng cách được ký hiệu là A trong hình phụ thuộc vào từng model sẽ có kích thước khác nhau.
Lavabo âm bàn được đánh giá là loại mang lại thẩm mỹ cực kỳ cao. Thông thường, bồn rửa sẽ được đặt vào bàn đá granite. Nhờ thiết kế giấu được ống xả mà người ta có thể tận dụng không gian bên dưới để làm tủ đồ. Kích thước tủ Lavabo cũng tương ứng theo Lavabo để lắp đặt.

Kích thước của Lavabo âm bàn
– Kích thước Lavabo âm bàn: Rộng- Sâu- Cao: 580- 480- 200 (mm)
– Chiều cao để gắn ống xả chờ âm tường từ sàn hoàn thiện đến tim lỗ co răng trong: 500 (mm)
– Chiều cao để gắn ống cấp nước nóng, lạnh chờ âm tường từ sàn hoàn thiện đến tim lỗ co đồng là 21 răn ngoài: 620 (mm).
– Khoảng cách được ký hiệu là A trong hình phụ thuộc vào từng model sẽ có kích thước khác nhau.
Lavabo thường xuất hiện tại các quán cafe, quán trà sữa là Lavabo đặt bàn. Loại này đặt nổi trên bàn đá, có khối vuông hoặc tròn hiện đại.

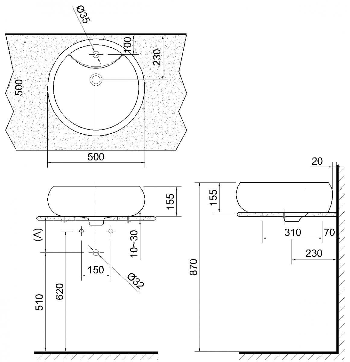
Kích thước Lavabo đặt bàn
– Kích thước lavabo đặt bàn: Rộng- Sâu- Cao: 500 x 500 x 155 (mm).
– Chiều cao để gắn ống xả chờ âm tường từ sàn hoàn thiện đến tim lỗ co là 34 chờ = 510 (mm).
– Chiều cao để gắn ống cấp nước nóng, lạnh chờ âm tường từ sàn hoàn thiện đến tim lỗ co đồng d: 21, răn ngoài: 620 (mm).
– Khoảng cách được ký hiệu là A trong hình phụ thuộc vào từng model sẽ có kích thước khác nhau.
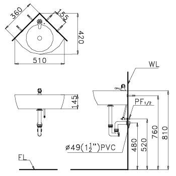
Để tiết kiệm không gian tối đa, người ta thường sử dụng Lavabo rửa mặt góc. Đây là loại treo tường thường chỉ sử dụng được vòi lạnh. Loại này được đánh giá khá tinh tế và hiện đại.

Kích thước lavabo chậu rửa mặt góc
– Kích thước chậu rửa mặt góc : Rộng- Sâu- Cao: 360 x 360 x 145 (mm).
Chậu rửa mặt là thiết bị không thể thiếu ở tất cả các công trình xây dựng. Chính vì thế, thiết kế của Lavabo cũng trở nên đa dạng hơn. Tùy vào không gian và sở thích mà người ta đưa ra nhiều kích thước sao cho phù hợp. Một số kích thước Lavabo góc nhỏ hơn loại thường.

Kích thước Lavabo càng đặt trong không gian hẹp thì càng nhỏ
Phong cách khỏe khoắn, mạnh mẽ của người dùng được phần nào thể hiện qua Lavabo vuông. Lòng bồn rửa thường rộng rãi hơn Lavabo tròn, tạo cảm giác thoải mái khi dùng.

Chậu rửa mặt vuông được thiết kế sang trọng
Kích thước chậu rửa mặt vuông : Rộng- Sâu- Cao: 450 x 450 x 165 (mm).
Chất lượng cuộc sống nâng cao, trẻ nhỏ cũng có được những thiết kế riêng. Lavabo dành cho trẻ em cũng được các bậc cha mẹ lựa chọn kỹ lưỡng. Kích thước sẽ được lựa chọn phù hợp với từng lứa tuổi.

Kích thước và màu sắc chậu rửa mặt trẻ em thường nhỏ và bắt mắt
Kích thước chậu rửa mặt trẻ em : Rộng- Sâu- Cao: 360 x 360 x 140 (mm).
Đây là loại thường thấy ở nhiều tòa nhà. Với mục đích tiết kiệm diện tích cho văn phòng, nhà vệ sinh thường nhỏ gọn, do đó, Lavabo theo đó cũng phải thu nhỏ lại. Thông thường, kích thước chiều rộng <500mm, chiều sâu<300mm và chiều sâu<200mm.

Kích thước Lavabo nhỏ tại văn phòng
Kích thước Lavabo chậu rửa mặt mini
Chậu rửa mặt mini có kích thước đặc biệt nhỏ, được thiết kế nhỏ nhưng tinh tế, hiện đại. Loại này có thể được đặt ngay tại văn phòng làm việc, bên trong phòng họp,...
Kích thước các mặt đều được thu nhỏ: Chiều rộng- sâu- cao: 375 x 375 x 150 mm
Lavabo nhỏ nhất thuộc loại treo tường L2014 hiện nay đang sở hữu thông số kỹ thuật nhỏ nhất. Cụ thể là chiều rộng- sâu- cao: 360 x 360 x 145 (mm).
Thể tích nước mà loại bồn rửa này chứa được là 1.3 lít, nhỏ hơn nhiều so với các loại Lavabo khác.

Lavabo đôi được lắp đặt ở khách sạn rộng rãi
Khi có không gian rộng rãi, Lavabo đôi thường được tận dụng. Kích thước của loại này sẽ lớn gấp 2 lần so với các Lavabo khác.
Kích thước chậu rửa mặt đôi : Rộng- Sâu- Cao: 1210 x 475 x 180 (mm).

Kích thước chậu rửa mặt chữ nhật tương ứng với không gian lắp đặt
Lavabo hình chữ nhật sẽ có nhiều kích thước, nó phụ thuộc vào thiết kế ban đầu để lựa chọn cho thích hợp.
Kích thước chậu rửa mặt chữ nhật thường thấy chủ yếu có chiều Rộng- Sâu- Cao: 500 x 450 x 155 (mm).

Kích thước chậu rửa mặt tròn
Nếu bạn ưa thích vẻ đẹp mềm mại, nhẹ nhàng thì Lavabo tròn là sự lựa chọn hoàn hảo. Đây cũng là loại bồn rửa được nhiều gia đình lựa chọn cho phòng tắm của mình.
Kích thước chậu rửa mặt chữ nhật thường thấy chủ yếu có chiều Rộng- Sâu- Cao: 425 x 425 x 165 (mm).

Lavabo chân lửng ngày càng trở nên phổ biến
Thời gian gần đây, Lavabo được nhiều người dùng lựa chọn nhiều hơn. Đây là kiểu Lavabo đẹp mắt, có kiểu dáng thanh lịch.
Kích thước loại lửng có chiều rộng - sâu- cao: 430- 500- 190 (mm)

Lavabo chân dài thông dụng nhất hiện nay
Các trường học, cơ sở đào tạo,...là những nơi dùng Lavabo chân dài nhiều nhất. Khi chân bồn rửa lớn hơn 500mm thì được xếp vào Lavabo chân dài, dưới 500mm sẽ được coi là chân lửng.
Kích thước loại dài có chiều rộng - sâu- cao: 400- 410- 825 (mm)
Lavabo nổi hay Lavabo đặt bàn, đây là kiểu nổi hẳn trên mặt bàn đá. Đây cũng là loại bồn rửa mặt có thông số kỹ thuật linh hoạt. Người tiêu dùng sẽ lựa chọn sao cho phù hợp với không gian định lắp đặt.

Lavabo để bàn được thiết kế tinh tế, sang trọng
Kích thước của Lavabo đặt bàn sẽ nằm trong khoảng:
_ Chiều rộng khoảng từ 380-450 (mm)
_ Chiều cao khoảng từ 70- 180 (mm)
_ Chiều dài khoảng 400- 600 (mm)
_ Chiều cao để gắn ống xả chờ âm tường từ sàn hoàn thiện đến tim lỗ co D là 34, chờ là 510mm.
_ Chiều cao để gắn ống cấp nước nóng, lạnh: d là 21 và răn ngoài là 620mm.

Kích thước bồn rửa mặt inax L-2216V
Từng mã sản phẩm inax sẽ có các kích thước khác nhau. Loại đặt bàn và Lavabo góc là 2 dạng phổ biến nhất. Dưới đây là kích thước thường thấy:
Kích thước Lavabo Inax nhỏ treo tường:
_ Chiều rộng khoảng từ : 400 – 430 (mm)
_ Chiều sâu khoảng từ : 320 – 495 (mm)
_ Chiều cao khoảng từ : 145 – 180 (mm)
Kích thước của Lavabo chậu rửa mặt Inax âm bàn:
_ Chiều rộng khoảng từ : 400 – 600 (mm)
_ Chiều sâu khoảng từ : 380 – 550 (mm)
_ Chiều cao khoảng từ : 170 – 210 (mm)
Kích thước của chậu rửa mặt Inax đặt bàn:
_ Chiều rộng khoảng từ : 400 – 600 (mm)
_ Chiều sâu khoảng từ : 440 – 450 (mm)
_ Chiều cao khoảng từ : 115 – 210 (mm)
Xem thêm: https://chuyenthongtaccong.com/details/cach-xu-ly-mui-hoi-bon-rua-mat-nhanh-chong.html
Toto là thương hiệu Lavabo của Nhật Bản, hiện nay được ưa chuộng trên toàn thế giới. Nhờ vào kiểu dáng bắt mắt, thiết kế đa dạng với nhiều kích thước nên Việt Nam cũng trở thành thị trường hấp dẫn với Lavabo Toto.

Lavabo LT647CR bán âm bàn của Toto
Kích thước của Lavabo Toto tiêu chuẩn:
_ Chiều rộng khoảng từ: 430- 530 (mm)
_ Chiều sâu khoảng từ: 350- 500 (mm)
_ Chiều cao: 190 - 220(mm)
Kích thước Lavabo Toto âm bàn:
_ Chiều rộng khoảng từ: 540- 510 (mm)
_ Chiều sâu khoảng từ: 360- 460 (mm)
Kích thước của Lavabo Toto để bàn:
_ Chiều rộng khoảng từ: 400- 600 (mm)
_ Chiều sâu khoảng từ: 260- 420 (mm)
_ Chiều cao khoảng từ: 70-90(mm)
Viglacera cũng là thương hiệu Lavabo nổi tiếng, phổ biến với nhiều sản phẩm sang trọng. Đa số Lavabo rửa mặt của hãng này vào tầm 560- 475- 203 (mm) tương ứng với chiều rộng- sâu- cao.

Kích thước Lavabo Viglacera được thiết kế thành nhiều loại với các thông số linh hoạt.

Lavabo Thiên Thanh là sản phẩm được nhiều gia đình sử dụng
Nếu bạn muốn sở hữu một Lavabo chất lượng nhưng giá lại bình dân, Thiên Thanh là thương hiệu tuyệt vời. Kích thước của bồn rửa được thiết kế theo tiêu chuẩn: Chiều rộng- sâu- cao: 530- 435- 210 (mm)
Lavabo 282 là số hiệu của thương hiệu inax. Đây là dòng sản phẩm bán chạy nhất thị trường hiện nay. Kích thước chuẩn của loại này là rộng - sâu- cao: 400- 410- 180mm.
Vẫn là sản phẩm thuộc dòng Inax, loại Lavabo L- 280V phù hợp với không gian phòng tắm của người Việt. Đây là sản phẩm được nhiều người tìm kiếm và ưa chuộng hiện nay.

Kích thước Lavabo L-280V treo tường
Kích thước của Lavabo chậu rửa mặt L-280V là 400- 322- 150mm tương ứng với chiều rộng- sâu- cao.
Lavabo L-283V cũng là 1 mã sản phẩm thuộc inax. Đây cũng là kiểu dáng được khách hàng tìm kiếm nhiều tại các cửa hàng chính hãng. Kích thước tiêu chuẩn của Lavabo chậu rửa mặt là 429- 390- 162 (mm) ứng với chiều rộng- sâu- cao.
Xem thêm: https://chuyenthongtaccong.com/details/cach-xu-ly-mui-hoi-bon-rua-mat-nhanh-chong.html
Trên đây là kích thước của một số loại Lavabo chậu rửa mặt thông dụng nhất hiện nay. Dựa vào thông tin từ bài viết, hi vọng bạn đã có thể chủ động lựa chọn kiểu dáng cũng như kích thước Lavabo phù hợp. Còn gì tuyệt hơn khi tự lựa chọn từng trang thiết bị cho căn nhà của bản thân!